当前位置: 首页 > 细胞系 > 大鼠 > 大鼠肝星形细胞(Hsc-T6)

BC-C-RA-001-1×10⁶

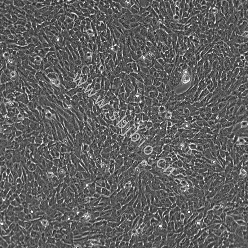
大鼠肝星形细胞(Hsc-T6)

规格 1×10⁶
  • 英文名:
  • Hsc-T6
  • CAS号:
  • 分子式:
  • 品牌:
  • Biochannel
  • MDL:
  • 储存条件:
产品编号 销售价促销价 库存 数量 单位 加入购物车
BC-C-RA-001 ¥1300.00元 准现货 T25瓶/冻存管 加入购物车

商品描述

文献引用

质检证书(COA)

相关商品

【货号】 BC-C-RA-001

【规格】 1*106/T25培养瓶(或冻存管)

【保存】 液氮保存,长期

【产品介绍】

image.png

【操作步骤】

【细胞复苏】

1、取出1mL冻存管后,迅速放入37℃水浴锅中不断摇晃使其解冻,直至冻存管中无结晶(此过程尽量在2min内完成);

2、准备15mL离心管,加入2-6mL完培,将冻存管中的细胞悬液移至离心管,1000 rpm离心3~5min;(比较难养的细胞可适量增加离心管中的完培)

3、吸弃上清,用新鲜培养基重悬细胞,接种至无菌的培养器皿中,轻晃动混匀后放入37℃5%CO2细胞培养箱中培养。

注:复苏第二天若细胞状态较好,但漂浮碎片较多可做换液处理;

复苏的细胞需要时间恢复状态,当复苏好后密度低于80%时,2天内暂时不要换液,细胞生长状态恢复后再进行后续传代等操作;

【细胞传代】

当细胞汇合度达到80%-90%,即可传代培养。

收集细胞:贴壁细胞可以参考以下方法1、吸去培养液,加入不含钙镁的PBS,轻轻润洗瓶底1-2次,吸弃PBS2、加入0.25%胰酶-EDTA消化液(T251-2mLT752-3mL),铺匀瓶底放入培养箱中消化1-2min;(部分细胞贴壁较牢,可采用分步消化:将消化下来的细胞转移至离心管终止,在培养瓶中加入胰酶继续消化,直至大部分细胞脱落)3、倒置显微镜下观察大部分细胞变圆脱落,迅速加入完全培养基终止消化,完培与胰酶比例为2:14、轻轻吹打细胞后吸出转移至离心管中。半贴壁半悬浮细胞需先收集悬液至离心管再参考贴壁细胞操作。

离心:收集好的细胞在1000rpm条件下离心3~5min,离心好后弃除上清液。

接种:准备好新的培养瓶并添加适量完全培养基,在离心管加入1-2mL完全培养基重悬吹打均匀,初次传代将细胞悬液按1:2比例接种到新的培养瓶中,后续可根据细胞实际情况按1:2-1:4的比例传代;接种完成后放入37℃5%CO2细胞培养箱中培养。

悬浮细胞建议采用半换液传代:将培养瓶站立静置5-10min,肉眼可见细胞沉底,吸取1/2~2/3上清至离心管离心,将瓶内剩余悬液按1:21:3的比例转移至新的培养瓶,将离心管中的细胞重悬后放入培养瓶添加新鲜完全培养基即可

【细胞冻存】

收集细胞参考细胞传代步骤。

冻存液重悬:细胞按照传代步骤收集细胞至离心管并计数,根据计数的密度决定细胞冻存数量,一般推荐细胞冻存密度为1×106-1×107个活细胞/管。离心后弃上清,加入配制好的冻存液重悬,分配到冻存管中,每管1mL

冻存:将冻存管放入程序降温盒中进行梯度降温,然后放入-80℃冰箱降温,24h后将冻存管转入液氮罐中。若没有冻存盒,可于冰箱4℃放置30min,随后转移至-20℃冷冻2h,接下来将其放于-80℃超低温冰箱中过夜,最终放置于液氮中以长期保存。

【注意事项】

1)所有动物细胞均视为有潜在的生物危害性,必须在二级生物安全柜内操作,并注意防护。所有废液及接触过此细胞的器皿需灭菌后方能丢弃。

2)若细胞在操作过程中发生污染,需对污染的细胞进行灭活方可丢弃。

3)本库的细胞系(株)仅用于科研工作,未经许可不得用于其他目的,使用者不得将本库细胞系(株)转让给第三者。

4)细胞到货后建议在前3代时冻存一批细胞种子以备后续用。